Wilden Pump

Wilden Pump
 





产品目录Advanced™ 金属泵系列(螺栓式泵):P1500 - 3" (76 mm) 金属泵



P1500 - 3" (76 mm) 金属泵

威尔顿 P1500 - 3" (76 mm) 金属泵 技术参数
口径:3"
最大流量:257GPM (984LPM)
最大工作压力:125PSI (8.6BAR)
接液部结构材质:铝合金、316不锈钢、铸铁、镍基合金
干吸:22' (6.64m)
可通过最大颗粒:1/2" (12.7mm)
弹性体:聚氨脂、氯丁橡胶、丁晴橡胶、三元橡胶、
氟化橡胶、SaniFlex™、特氟龙PTFE、Wil-Flex™
各种材质的温度范围
聚丙烯
0°C(32°F) ~ +79°C(+175°F)
碳充乙缩醛
-28.9°C(-20°F) ~ + 65.6°C(+150°F)
聚偏二氟乙烯
-12.2°C(-10°F) ~ + 107.2°C(+225°F)
特氟龙®PFA(½" UPII&UPIII)
-28.9°C(-20°F) ~ + 148.9°C(+300°F)
特氟龙®PFA(½" & 1½")
-28.9°C(-20°F) ~ + 107.2°C(+225°F)

用户手册下载(需安装Adobe Reader才能阅读)
P1500-PV1500-ADV-MTL-EOM.pdf     文件大小:2880 k




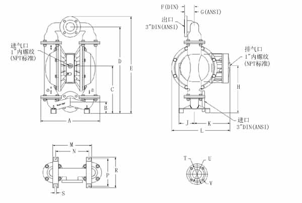
威尔顿 P1500 - 3" (76 mm) 金属泵(不锈钢材质) 结构图
尺寸 - P1500
(金属泵)
序号公制(mm)英制(inch)
A54221.34
B1064.18
C43817.27
D79831.43
E89335.16
F883.48
G923.63
H43717.22
J1435.63
K32712.86
L53621.11
M35814.00
N30512.00
P25610.06
R27911.00
S140.56
 DINANSI
T200 DIA.7.50 DIA.
U180 DIA.6.00 DIA.
V18 DIA.0.75 DIA.


威尔顿 P1500 - 3" (76 mm) 金属泵(铝合金材质) 结构图
尺寸 - P1500
(金属泵)
序号公制(mm)英制(inch)
A613.424.15
B127.05.00
C536.721.17
D934.736.80
E1030.540.55
F326.612.86
G164.66.48
H536.721.13
J143.05.63
K537.721.17
L363.514.31
M306.112.05
N257.810.15
P282.011.09
R17.80.70
 DIN PN16ANSI 150#
RØ200Ø7.500
SØ160Ø6.00
TØ18.0Ø0.75


威尔顿 P1500 - 3" (76 mm) 金属泵 性能曲线图
阅读指导 确定您应用需要的流量,计算出总压头(扬程),作图画出纵坐标中压头和横坐标中流量的交叉点。于是供气气压和供气量可自曲线中获得。找出与交叉点最接近的红色曲线并沿着自左到右的纵坐标,这就是到达您在指定压头下所需流量时必须的供气压力。下一步在最接近交叉点处找到黑色曲线,并沿之向上,有一个数字指出,这数字表示在达到指定压头下所需的必须供气量。




产品系列 | 技术支持 | 销售网络 | 近期动态
产品搜索 | 关于我们 | 趣味游戏 | 联系我们 | 网站地图 | 返回主页






战略伙伴招募 :: 注册会员

Wilden Pump(威尔顿)中文网站由上海富晖友情维护 © 文字、图片版权归Wilden Pump所有
沪公网安备 31010802001246号     沪ICP备05031482号  电子证书    

在线技术咨询