Wilden Pump

Wilden Pump
 





产品目录Original™ 金属泵系列:T20 - 4" (101.6 mm) 金属泵



T20 - 4" (101.6 mm) 金属泵

威尔顿 T20 - 4" (101.6 mm) 金属泵 技术参数
口径:4"
最大流量:275GPM (1040.0LPM)
最大工作压力:125PSI (8.6BAR)
接液部结构材质:铸铁
干吸:12' (3.7m)
可通过最大颗粒:1 3/8" (35mm)
弹性体:聚氨脂、三元橡胶、氟化橡胶、
SaniFlex™、特氟龙PTFE、Wil-Flex™
各种材质的温度范围
聚丙烯
0°C(32°F) ~ +79°C(+175°F)
碳充乙缩醛
-28.9°C(-20°F) ~ + 65.6°C(+150°F)
聚偏二氟乙烯
-12.2°C(-10°F) ~ + 107.2°C(+225°F)
特氟龙®PFA(½" UPII&UPIII)
-28.9°C(-20°F) ~ + 148.9°C(+300°F)
特氟龙®PFA(½" & 1½")
-28.9°C(-20°F) ~ + 107.2°C(+225°F)

用户手册下载(需安装Adobe Reader才能阅读)
T20-ORG-MTL-EOM.pdf     文件大小:768 k




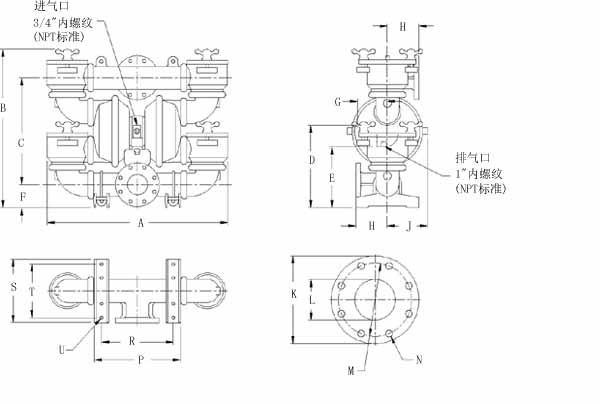
威尔顿 T20 - 4" (101.6 mm) 金属泵 结构图
尺寸 - T20
(金属泵)
序号公制(mm)英制(inch)
A94337.13
B82532.50
C55221.75
D43817.25
E33013
F1184.63
G1566.13
H1586.25
J2108.25
K2299
L1024
M1907.5
N190.75
P45417.88
R37514.75
S33013
T27911
U140.56

威尔顿 T20 - 4" (101.6 mm) 金属泵 性能曲线图
阅读指导 确定您应用需要的流量,计算出总压头(扬程),作图画出纵坐标中压头和横坐标中流量的交叉点。于是供气气压和供气量可自曲线中获得。找出与交叉点最接近的黑色曲线并沿着自左到右的纵坐标,这就是到达您在指定压头下所需流量时必须的供气压力。下一步在最接近交叉点处找到蓝色曲线,并沿之向上,有一个数字指出,这数字表示在达到指定压头下所需的必须供气量。




产品系列 | 技术支持 | 销售网络 | 近期动态
产品搜索 | 关于我们 | 趣味游戏 | 联系我们 | 网站地图 | 返回主页






战略伙伴招募 :: 注册会员

Wilden Pump(威尔顿)中文网站由上海富晖友情维护 © 文字、图片版权归Wilden Pump所有
沪公网安备 31010802001246号     沪ICP备05031482号  电子证书    

在线技术咨询