Wilden Pump

Wilden Pump
 





产品目录Original™ 塑料泵系列:A4 - 1 1/2" (38.1 mm) 塑料泵



A4 - 1 1/2" (38.1 mm) 塑料泵

威尔顿 A4 - 1 1/2" (38.1 mm) 塑料泵 技术参数
口径:1 1/2"
最大流量: 
最大工作压力: 
接液部结构材质: 
干吸: 
可通过最大颗粒: 
弹性体: 
各种材质的温度范围
聚丙烯
0°C(32°F) ~ +79°C(+175°F)
碳充乙缩醛
-28.9°C(-20°F) ~ + 65.6°C(+150°F)
聚偏二氟乙烯
-12.2°C(-10°F) ~ + 107.2°C(+225°F)
特氟龙®PFA(½" UPII&UPIII)
-28.9°C(-20°F) ~ + 148.9°C(+300°F)
特氟龙®PFA(½" & 1½")
-28.9°C(-20°F) ~ + 107.2°C(+225°F)

用户手册下载(需安装Adobe Reader才能阅读)
T4-A4-ORG-PLS-EOM     文件大小:2253 k




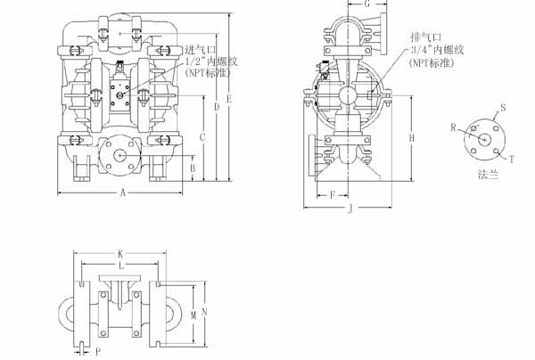
威尔顿 A4 - 1 1/2" (38.1 mm) 塑料泵 结构图
尺寸 - A4
(塑料泵)
序号公制(mm)英制(inch)
A393.715 1/2
B79.43 1/8
C269.110 19/32
D463.618 1/4
E527.120 3/4
F95.33 3/4
G120.74 3/4
H269.110 19/32
J284.211 3/16
K287.411 5/16
L237.39 11/32
M181.07 1/8
N204.88 1/16
P11.915/32
 DINANSI
R52.8 RAD.1 15/16 RAD.
S75.2 RAD.2 1/2 RAD.
T18.0 RAD.9/16 DIA.

* DIN 标准法兰可用于进出口


产品系列 | 技术支持 | 销售网络 | 近期动态
产品搜索 | 关于我们 | 趣味游戏 | 联系我们 | 网站地图 | 返回主页






战略伙伴招募 :: 注册会员

Wilden Pump(威尔顿)中文网站由上海富晖友情维护 © 文字、图片版权归Wilden Pump所有
沪公网安备 31010802001246号     沪ICP备05031482号  电子证书    

在线技术咨询