Wilden Pump

Wilden Pump
 





产品目录Original™ 塑料泵系列:A8 - 2" (50.8 mm) 塑料泵



A8 - 2" (50.8 mm) 塑料泵

威尔顿 A8 - 2" (50.8 mm) 塑料泵 技术参数
口径:2"
最大流量: 
最大工作压力: 
接液部结构材质: 
干吸: 
可通过最大颗粒: 
弹性体: 
各种材质的温度范围
聚丙烯
0°C(32°F) ~ +79°C(+175°F)
碳充乙缩醛
-28.9°C(-20°F) ~ + 65.6°C(+150°F)
聚偏二氟乙烯
-12.2°C(-10°F) ~ + 107.2°C(+225°F)
特氟龙®PFA(½" UPII&UPIII)
-28.9°C(-20°F) ~ + 148.9°C(+300°F)
特氟龙®PFA(½" & 1½")
-28.9°C(-20°F) ~ + 107.2°C(+225°F)

用户手册下载(需安装Adobe Reader才能阅读)
T8-A8-ORG-PLS-EOM.pdf     文件大小:1443 k




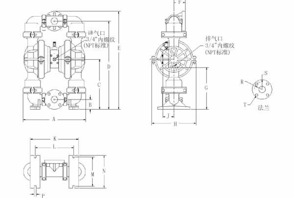
威尔顿 A8 - 2" (50.8 mm) 塑料泵 结构图
尺寸 - A8
(塑料泵)
序号公制(mm)英制(inch)
A491.419 11/32
B77.03 1/32
C409.616 1/8
D693.027 9/32
E770.030 5/16
F88.93 1/2
G344.513 9/16
H332.613 3/32
J86.53 13/32
K386.615 7/32
L306.412 1/16
M228.69
N254.010
P14.39/16
 DINANSI
R60.3 RAD.2 3/8 RAD.
S76.2 RAD.3 1/32 RAD.
T19.8 RAD.25/32 DIA.

* DIN 标准法兰可用于进出口


产品系列 | 技术支持 | 销售网络 | 近期动态
产品搜索 | 关于我们 | 趣味游戏 | 联系我们 | 网站地图 | 返回主页






战略伙伴招募 :: 注册会员

Wilden Pump(威尔顿)中文网站由上海富晖友情维护 © 文字、图片版权归Wilden Pump所有
沪公网安备 31010802001246号     沪ICP备05031482号  电子证书    

在线技术咨询